Connecting Cameras#
Safety Information#
WARNING – Laser Safety Instructions
To avoid injuries, always follow these safety instructions:
Optical fiber connections emit laser radiation in the infrared range. Laser radiation is invisible and can cause eye damage if the eyes are exposed to it directly. Never look into open fiber ends or active optical ports. Before any installation, maintenance, or cleaning, disconnect the connection or shut it down safely. Dispose of fiber remnants with care.
Connecting CoaXPress over Fiber (CoF) Cameras to the Frame Grabber#
To connect a CoF camea to a CoF frame grabber, the workflow is as follows:
- Connect the camera to the frame grabber using the fiber optic cable with the attached transceiver modules.
- Connect the power supply to the camera.
- Connect the encoder to the GPIO lines, e.g., phase A to line 2 and phase B to line 3 (see also Encoder Control).
Requirements#
To connect a camera to a CoF frame grabber, you need the following hardware:
- Two Basler Moduls QSFP28 100G SR4 MPO 100m
- One Basler Cable Optical, MPO, 8x PC/F
- One CoaXPress-over-Fiber camera, e.g., the Basler racer 2 XL camera r2T16416-500cm
Connecting the QSFP28 Modules to the Fiber Optic Cable#
WARNING – Laser Safety Instructions
To avoid injuries, always follow these safety instructions:
Optical fiber connections emit laser radiation in the infrared range. Laser radiation is invisible and can cause eye damage if the eyes are exposed to it directly. Never look into open fiber ends or active optical ports. Before any installation, maintenance, or cleaning, disconnect the connection or shut it down safely. Dispose of fiber remnants with care.
Info
The QSFP28 fiber module has a limited number of plugging cycles. A typical value is 500 cycles. If that value is exceeded, the module must be replaced.
Info
The MPO connector has a limited number of plugging cycles. A typical value is 50 cycles. If that value is exceeded, the cable must be replaced.
Fiber optic connectors follow different standards compared to typical industrial electrical connectors. One critical point is that proper cleaning before each mating is required. If dust or contamination is present on the fiber end face, the connector can be easily damaged, which may significantly affect performance and lifetime.
If you are not using a cable where the fiber optic cable is permanently attached to the transceiver modules, do the following:
- Clean the fiber optic port of the QSFP28 modules with an appropriate tool.
- Clean the fiber optic cable with an appropriate tool.
- Insert the fiber optic cable into the QSFP28 modules.

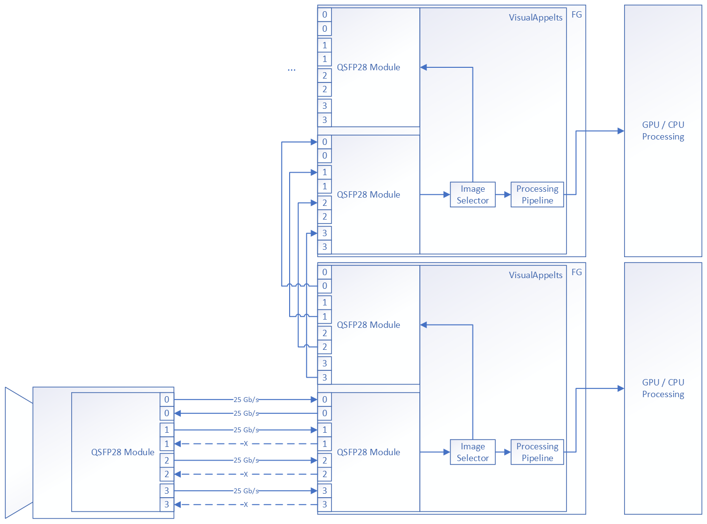
imaFlex 2 Dual 100 Connectors#

Connecting the Correct Port to the Camera#

Info
Basler recommends the following order of ports:
- Connect the camera's QSFP28 module to the frame grabber's C0 connector (which has a QSFP28 module) to use all features of CoF LED signaling. The C0 connector has 4 LEDs, whereas the C1 connector has only 1 LED.
- For master-slave topologies, connect the master frame grabber's C1 port to the slave frame grabber's C0 port (both via their respective QSFP28 modules).

The frame grabber is in general very flexible and allows cameras to be connected also to C1 and data forwarding connection to C0. There is no enforced fixed order, a connector can be chosen depending on the user's needs. However, the applet in FPGA processor must match the chosen interconnection. The base line-scan applet of imaFlex 2 Dual 100 requires the camera to be connected to the C0 connector.
Info
Both the camera and the frame grabber must be power supplied for the fiber connection to work. The frame grabber gets its power supply mostly from the 8-pin power plug. The power supply connector must be interconnected when the PC is not powered, and the PC is separated from the power supply.
The QSFP28 and MPO connectors are hot-pluggable.

Connecting CoaXPress Cameras to the Frame Grabber#
These instructions apply to all CoaXPress frame grabbers.
To connect a camera to the frame grabber:
- Plug the cables of your camera into the CoaXPress connectors on the slot bracket of the CoaXPress frame grabber (ports CXP 1, CXP 2, CXP 3, CXP 4, and CXP 5).
-
Plug the CoaXPress cables into the appropriate connectors of the camera:

Info
Basler recommends the following order of ports:
-
Connect camera connector 1 to port CXP 1 of the frame grabber, and proceed accordingly, connecting
- camera connector 2 to frame grabber port CXP 2 (if available),
- camera connector 3 to frame grabber port CXP 3 (if available),
- camera connector 4 to frame grabber port CXP 4 (if available),
- and camera connector 5 to frame grabber port CXP 5 (if available).
-
Connect camera connector 2 to frame grabber port CXP 2 (if available).
- Connect camera connector 3 to frame grabber port CXP 3 (if available).
- Connect camera connector 4 to frame grabber port CXP 4 (if available).
- Connect camera connector 5 to frame grabber port CXP 5 (if available).
Info
CoaXPress always supports Power Over functionality, i.e., the cameras are powered by via the CXP cables
If you want to power the camera via the frame grabber, the frame grabber needs an extra connection to the computer power supply.
When the camera is connected, a green blinking LED on the camera indicates that the camera is powered.
If the LED on the camera isn't blinking, check if you connected the male power connector to the computer power supply.

If the power connector isn't connected:
- Shut down your computer.
- Disconnect your computer from power.
- Connect the female power connector to the frame grabber. If your computer doesn't provide a matching power supply, use a suitable adapter.
- Reconnect and boot your computer.
- If your frame grabber doesn't provide power to the camera, or if your camera doesn't use the power over feature, power the camera.
- Repeat the steps above to connect all cameras in your system.
To configure the camera, open the microDisplay X tool. Instructions for configuring the camera via microDisplay X are available in the microDisplay X User's Manual.
Connecting Camera Link Cameras to the Frame Grabber#
These instructions apply to all Camera Link frame grabbers.
To connect a camera to the frame grabber:
- Plug the Camera Link cables of your camera into the connectors on the slot bracket of the Camera Link frame grabber.
- Plug the Camera Link cables into the appropriate connectors of the camera.
- If applicable: If your camera doesn't support Power Over Camera Link (PoCL), make sure to deactivate PoCL and connect the camera to a power supply.
Activating/Deactivating PoCL Support#
PoCL support is deactivated per default if you are running applets out of applet set version 2.0 (or higher) or an individual applet created with VisualApplets 3.0.6 (or higher).
To activate or deactivate PoCL Support, see Enabling PoCL Support.