Configuring a CoaXPress-over-Fiber System#
一般信息#
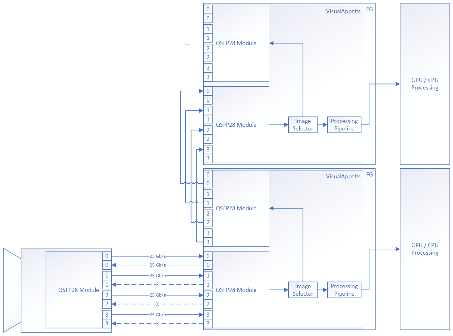
The CoaXPress-over-Fiber system consists of several components. The following sections describe the main aspects of setting up the system.
The following setup is assumed:
- An imaFlex 2 Dual 100 frame grabber is installed in the system. For a data forwarding topology, repeat the steps for installing a frame grabber.
- A racer 2 XL camera is connected to the frame grabber via a fiber optic cable.
- The fiber optic cable consists of two QSFP28 modules connected by a 12-fiber MPO cable type B.
信息
The QSFP28 modules must be of type SR4 or PSM4.
- The encoder signal (line trigger) is connected to the camera.
- The frame trigger is connected to the front GPIO connector of the frame grabber via a D-sub 26 cable (front GPIO connector).
- The Framegrabber SDK version 5.11.50 or later is installeda.
- The driver was updated by the Framegrabber SDK installer and has version 2.5.5.0 or later.
信息
All required tools (microDisplay X, microDiagnostics, pylon Firmware Updater, driver, and applets) are part of the Framegrabber SDK.
Checking Software and Firmware Versions#
This section describes how to check software versions, driver version, and camera firmware and where to find them.
Framegrabber SDK and Driver#
In microDisplay X, you can display the version of the installed Framegrabber SDK under Help > About:

You can display the driver version in Windows under Device Manager. Frame grabbers are listed as multifunction adapters:

Camera Firmware#
You can display the camera firmware version in microDisplay X by opening the Camera tab and selecting GeniCam:

硬件安装#
Installing the Frame Grabber#
警告 — 触电危险
Installing the frame grabber while the computer is connected to power may cause electric shock. Serious injury or death may occur.
- Before installing the frame grabber, switch off the computer and the connected devices and unplug all power cables from the computer.
- Before power-up, close the computer case
注意 – 静电放电可能会损坏电子组件。
- Before touching the frame grabber, drain static charges from yourself to ground, e.g., by touching a metal water tap.
- During installation, make sure that you remain properly grounded, e.g., by wearing an antistatic wrist strap.
NOTICE – Overheating may damage the frame grabber and other components.
Make sure that you use an adequate ventilation system within your computer, and leave sufficient free space between your frame grabber and other cards. Boards with active cooling should have at least one free slot between cards.
信息
-
To avoid damaging the cooling plate, only touch the frame grabber at the edges of the circuit board and on the slot bracket, and only apply pressure there when inserting it.
-
To ensure that the frame grabber achieves its maximum speed, the PCIe slot must have at least 16 wired PCIe lanes and support at least PCIe Generation 3 (Gen 3).
- Turn off the Fast Start-Up feature under Windows, see www.windowscentral.com
- Shut down your computer.
- Disconnect your computer from the power supply.
-
Plug the frame grabber into a free PCIe (Gen 3.0) x16-capable slot.
信息
Make sure that the frame grabber is not tilted and is fully inserted.
-
Plug the female 8-pin computer power supply connector into the frame grabber. If your computer doesn't provide a matching power supply connector, use an adapter.
- Connect the frame trigger to the front GPIO connector of your frame grabber.
- Re-connect your computer to the power outlet.
- Boot your computer.
Connecting the Camera#
To connect a CoF camera to a CoF frame grabber, the workflow is as follows:
- Connect the camera to the frame grabber using the fiber optic cable with the attached transceiver modules.
- Connect the power supply to the camera.
- Connect the encoder to the GPIO lines, e.g., phase A to line 2 and phase B to line 3 (see also Encoder Control).
要求#
To connect a camera to a CoF frame grabber, you need the following hardware:
- Two Basler Moduls QSFP28 100G SR4 MPO 100m
- One Basler Cable Optical, MPO, 8x PC/F
- One CoaXPress-over-Fiber camera, e.g., the Basler racer 2 XL camera r2T16416-500cm
Connecting the QSFP28 Modules to the Fiber Optic Cable#
警告 — 激光安全说明 
为避免受伤,请始终遵循以下安全说明:
Optical fiber connections emit laser radiation in the infrared range. Laser radiation is invisible and can cause eye damage if the eyes are exposed to it directly. Never look into open fiber ends or active optical ports. Before any installation, maintenance, or cleaning, disconnect the connection or shut it down safely. Dispose of fiber remnants with care.
信息
The QSFP28 fiber module has a limited number of plugging cycles. A typical value is 500 cycles. If that value is exceeded, the module must be replaced.
信息
The MPO connector has a limited number of plugging cycles. A typical value is 50 cycles. If that value is exceeded, the cable must be replaced.
Fiber optic connectors follow different standards compared to typical industrial electrical connectors. One critical point is that proper cleaning before each mating is required. If dust or contamination is present on the fiber end face, the connector can be easily damaged, which may significantly affect performance and lifetime.
If you are not using a cable where the fiber optic cable is permanently attached to the transceiver modules, do the following:
- Clean the fiber optic port of the QSFP28 modules with an appropriate tool.
- Clean the fiber optic cable with an appropriate tool.
- Insert the fiber optic cable into the QSFP28 modules.

imaFlex 2 Dual 100 Connectors#

Connecting the Correct Port to the Camera#

信息
Basler recommends the following order of ports:
- Connect the camera's QSFP28 module to the frame grabber's C0 connector (which has a QSFP28 module) to use all features of CoF LED signaling. The C0 connector has 4 LEDs, whereas the C1 connector has only 1 LED.
- For master-slave topologies, connect the master frame grabber's C1 port to the slave frame grabber's C0 port (both via their respective QSFP28 modules).

The frame grabber is in general very flexible and allows cameras to be connected also to C1 and data forwarding connection to C0. There is no enforced fixed order, a connector can be chosen depending on the user's needs. However, the applet in FPGA processor must match the chosen interconnection. The base line-scan applet of imaFlex 2 Dual 100 requires the camera to be connected to the C0 connector.
信息
Both the camera and the frame grabber must be power supplied for the fiber connection to work. The frame grabber gets its power supply mostly from the 8-pin power plug. The power supply connector must be interconnected when the PC is not powered, and the PC is separated from the power supply.
The QSFP28 and MPO connectors are hot-pluggable.

软件安装#
安装 Framegrabber SDK#
Download the Framegrabber SDK version 5.11.50a or higher. Start the Framegrabber SDK setup by double-clicking the file name. During installation, select the following components:
- The driver
- Acquisition applet for imaFlex 2 Dual 100
- pylon Firmware Updater
- GUI Tools
After installing the Framegrabber SDK, check the following:
- Ensure that at least the platform for imaFlex 2 Dual 100 is installed.
- Ensure that the path to the Framegrabber SDK installation directory is set as
BASLER_FG_SDKin your environment variables on your computer.
Checking Whether the Frame Grabber Is in the Correct PCIe Slot#
If the required bandwidth is not reached, the frame grabber may be in the wrong PCIe slot, and only PCIe (Gen 3.0) x8 or less may be available instead of the required PCIe (Gen 3.0) x16.
To check this:
- Start microDiagnostics.
- Check whether PCIe Gen3 x16 is displayed. If there is a problem, it may look like the following screenshot (the required bandwidth is not reached):

Updating the Camera Firmware#
A camera firmware update may be required. To check this:
- Connect the camera to the frame grabber and supply it with power.
- Start microDisplay X.
- In microDisplay X, open the Camera tab and check the Device Version:

If a newer firmware is available, use the pylon Firmware Updater tool to load the latest .guf file onto the camera.
pylon Firmware Updater#
The pylon Firmware Updater is a command line tool that you can install with the Framegrabber SDK. You can use it to update the firmware of your Basler camera.
To update your Basler camera's firmware, you need the .guf file that contains the updated firmware.
You can find the pylon Firmware Updater at <Framegrabber SDK installation directory>/bin/pylonFirmwareUpdater.exe. Run it from the command line.
The following commands are available in the pylon Firmware Updater:
| 命令 | 描述 |
|---|---|
| update [GUF File] | Performs a firmware update of a camera with the specified .guf file |
| info [GUF File] | Provides the information stored in the .guf file. |
| list | Provides a list of all connected camera devices. |
| version | Provides the version of the pylon Firmware Updater. |
To update the camera, use the update command with the following syntax:
You can specify a path to one or more .guf files (wildcards * can be used) or to a directory containing .guf files.
Updates are applied to one camera after another. For each camera, the most recent applicable firmware from the provided .guf file(s) is applied.
Update Command Options#
The update command can be modified with the following options:
| 选项 | 描述 |
|---|---|
| –dry-run | Performs the steps necessary for the update without writing to the camera. |
| –no-logo | Suppresses the logo. |
| -q | –quiet | Suppresses console output. |
| -v | –verbose | Describes each action in detail. |
| -f | –filter | Filters cameras by the filter string in the categories model name, user-defined name, or serial number. This option can be used multiple times. If this option is omitted, all cameras are selected. |
| –force-update | Allows a deliberate firmware downgrade of a camera; without this option, only an update is possible. This option can only be applied to exactly one camera. |
| –force-version | Sets the camera version to a defined version from the .guf file. This option can only be applied to exactly one camera. |
示例:
PylonFirmwareUpdater update --dry-run daA2500_14uc_r_1.4.0.250701.guf
PylonFirmwareUpdater update daA2500_14uc_r_1.4.0.250701.guf
PylonFirmwareUpdater update --dry-run *.guf
PylonFirmwareUpdater update -f daA2500 -f puA2500 *2500*.guf
The List Command#
The list command displays a list of all connected cameras.
For two cameras, the output looks like this:
c:\PylonFirmwareUpdater.exe list
pylon Firmware Updater 11.2.2.823
Model SerialNumber DeviceUserID DevClass InUse FirmwareVersion
boA4112-68cm 40072910 GTC/Basler/CXP No
p=xc2b_imx253c/s=d/v=5511.7/i=5511.7/h=4f8c68b
boA1936-400cc 40184836 GTC/Basler/CXP No
p=xc2b_imx421c/s=r/v=1.0.0/i=6901.18/h=a7890af
Checking the TDI Stages and Aligning the Camera#
To check the TDI stages and align the camera, acquire an image across all stages. Do the following:
- Start microDisplay X.
- Load the Acq_SingleCoF25Line applet.
- Configure the camera for area mode. In this mode, the camera is operated in free-run mode, i.e., untriggered.
- Set the camera to generate test images.
- Configure the image height to 256 lines (number of stages) by setting
FG_HEIGHT = 256. - Start the image acquisition.
If everything is working correctly, you see an image with diagonal gray gradients:

Connecting the Trigger#
For smooth operation, the trigger is essential. Two types of triggers are used:
- Line trigger: Used to trigger a line; typically connected to the camera.
- Frame trigger: Used to assemble lines into frames; typically connected to the frame grabber.
Find detailed information about connecting triggers to the imaFlex 2 Dual 100 in the imaFlex 2 Dual 100 documentation.
Connecting the Line Trigger#
Connect the encoder to the camera as follows. For encoder operation, connect, e.g., phase A to line 2 and phase B to line 3:
| 引脚 | 线路 | 功能 |
|---|---|---|
| 1 | - | 24 VDC camera power |
| 2 | - | 24 VDC camera power |
| 3 | Line 1 - | General purpose I/O (GPIO) line 1, negative pin |
| 4 | Line 1 + | General purpose I/O (GPIO) line 1, positive pin |
| 5 | - | Ground for general purpose I/O (GPIO) lines |
| 6 | Line 2 - | General purpose I/O (GPIO) line 2, negative pin |
| 7 | Line 2 + | General purpose I/O (GPIO) line 2, positive pin |
| 8 | - | 相机电源接地 |
| 9 | - | 相机电源接地 |
| 10 | - | 未连接 |
| 11 | Line 3 - | General purpose I/O (GPIO) line 3, negative pin |
| 12 | Line 3 + | General purpose I/O (GPIO) line 3, positive pin |
信息
-
Ground for General Purpose I/O (GPIO) lines (pin 5) and ground for camera power (pins 8 and 9) are tied together inside the camera.
-
Always connect both pins for camera power (pins 1 and 2) and ground (pins 8 and 9).
Use the differential signals on pins 6 and 7 for line 2 and pins 11 and 12 for line 3. To verify that the signals are received:
- Start microDisplay X.
- Load the Acq_SingleCoF25Line applet.
- Go to the Camera tab, Encoder Control category.
- Configure the encoder as follows:
EncoderSelector = Encoder0;EncoderSourceA[Encoder0] = Line2;EncoderSourceB[Encoder0] = Line3;EncoderMode[Encoder0] = FourPhase;EncoderOutputMode[Encoder0] = PositionUp;
- Observe the Encoder Control while moving the production line. This feature indicates whether forward, backward, or no motion is occurring.
EncoderValue shows how many steps have been made in the forward direction.
You can use this information to verify that the encoder signals are reaching the camera correctly.
Connecting the Frame Trigger#
Connect the frame trigger to the frame grabber, e.g., to the D-sub 26 front GPIO connector.

Pin layout of the front GPIO connector:

| 引脚编号 | Galvanically Isolated | Signal Type | Reference Signals |
|---|---|---|---|
| 1 | 是 | FrontGpi6 | VccIn47 (pin 19) GndIn47 (pin 20) |
| 2 | 是 | FrontGpi7 | VccIn47 (pin 19) GndIn47 (pin 20) |
| 3 | 是 | FrontGpi2 | VccIn03 (pin 21) GndIn03 (pin 22) |
| 4 | 是 | FrontGpi3 | VccIn03 (pin 21) GndIn03 (pin 22) |
| 5 | 是 | FrontGpo6 | VccOut47 (pin 23) GndOut47 (pin 24) |
| 6 | 是 | FrontGpo7 | VccOut47 (pin 23) GndOut47 (pin 24) |
| 7 | 是 | FrontGpo2 | VccOut03 (pin 25) GndOut03 (pin 26) |
| 8 | 是 | FrontGpo3 | VccOut03 (pin 25) GndOut03 (pin 26) |
| 9 | 是 | 5VOutIso (isolated 5V output, max 500 mA) | GndOutIso (pin 18) |
| 10 | 是 | FrontGpi4 | VccIn47 (pin 19) GndIn47 (pin 20) |
| 11 | 是 | FrontGpi5 | VccIn47 (pin 19) GndIn47 (pin 20) |
| 12 | 是 | FrontGpi0 | VccIn03 (pin 21) GndIn03 (pin 22) |
| 13 | 是 | FrontGpi1 | VccIn03 (pin 21) GndIn03 (pin 22) |
| 14 | 是 | FrontGpo4 | VccOut47 (pin 23) GndOut47 (pin 24) |
| 15 | 是 | FrontGpo5 | VccOut47 (pin 23) GndOut47 (pin 24) |
| 16 | 是 | FrontGpo0 | VccOut03 (pin 25) GndOut03 (pin 26) |
| 17 | 是 | FrontGpo1 | VccOut03 (pin 25) GndOut03 (pin 26) |
| 18 | 无 | GndOutIso (isolated ground for 5VOutIso) | 5VOutIso (pin 9) |
| 19 | 是 | VccIn47 (isolated VCC for input group 47) | GndIn47 (pin 20) |
| 20 | 是 | GndIn47 (isolated ground for input group 47) | VccIn47 (pin 19) |
| 21 | 是 | VccIn03 (isolated VCC for input group 03) | GndIn03 (pin 22) |
| 22 | 是 | GndIn03 (isolated ground for input group 03) | VccIn03 (pin 21) |
| 23 | 是 | VccOut47 (isolated VCC for output group 47) | GndOut47 (pin 24) |
| 24 | 是 | GndOut47 (isolated ground for output group 47) | VccOut47 (pin 23) |
| 25 | 是 | VccOut03 (isolated VCC for output group 03) | GndOut03 (pin 26) |
| 26 | 是 | GndOut03 (isolated ground for output group 03) | VccOut03 (pin 25) |
| 屏蔽 | 无 | GND (non-isolated board ground / earth / bracket) |
Make sure that in addition to the frame trigger pin you are using, the GND and VCC input are also connected. For the front GPIO connector, this means that VccIn03 and GndIn03 should also be connected to VCC and GND of the reference signal.
If you are using a 5 V signal and have no other reference available, connect the ground of both systems and connect GND to GndIn03 and 5VOutIso to VccIn03.
You can use the Signal Analyzer in the applet to check whether the front GPIO is connected correctly. Load the applet in microDisplay X and set the following values:
FG_SIGNAL_ANALYZER_0_SOURCE = FG_SIGNAL_FRONT_GPI_0FG_SIGNAL_ANALYZER_CLEAR = 1
Use your external hardware to send pulses to the input. You can use FG_SIGNAL_ANALYZER_0_PULSE_COUNT to verify whether the pulses were counted.
Use FG_SIGNAL_ANALYZER_0_PERIOD_CURRENT to analyze the period of the signals.
故障排除#
The following table summarizes typical symptoms, possible causes, and initial measures.
| Symptom | Possible Cause | Measures |
|---|---|---|
| Camera isn't detected | - The camera isn't powered - Camera isn't connected correctly to the frame grabber Wrong version of the Framegrabber SDK is installed | - Check the power supply - Check the fiber optic cable - Check the Framegrabber SDK version |
| No image | - The camera is in line mode and the trigger is missing | - Test the camera in area mode - Check whether the trigger is connected correctly |
| Encoder isn't counting | - Incorrect pin assignment - Input signal doesn't match (differential, single-ended and voltage level) | - Check the pin assignment - Connect differentially |
| Bandwidth of the frame grabber is too low | Frame grabber is installed in wrong PCIe slot | Check PCIe slot in microDiagnostics |
| - PC freezes - Blue screen after acquisition start | There is too much interrupt load due to small frame size | Check the frame height and frame rate. Keep the frame rate below 100 000, e.g., by increasing the frame height. |
-
Framegrabber SDK version 5.11.50 is provided through Basler Customer Support upon request and is not offered via the standard public software download.